
ONLINE DO 23°°
Vaření a pečení Vestavné trouby Samostatné trouby Pečící a horkovzdušné trouby Bosch HBA372EB3 - Z VÝSTAVKY





Výši slevy vám sdělíme do 60 minut. Zavolejte mi!+ Napište nám telefonní číslo a do 60-ti minut Vám řekneme, jakou slevu Vám můžeme nabídnout
![]() ![]() ![]() ![]() ![]() ![]() ![]() ![]() ![]() ![]() | Cenová nabídka na míruRychlá odpověď do 60 minut - napište, zavolejte nebo vyplňte formulář
Náš tip: Montáž vestavného spotřebiče Cena zboží při využití instalace 11 292,- 10 800,- ![]()
doprava zdarma Doporučená prodejní cena 18 990 Kčcena právě nyní11 392 Kč Nejnižší cena za posledních 30 dní: 11 292 Kč Porovnat produkt Přidat do oblíbenýchZáruka: 2 roky, Kód: 2T76279, Výrobce: Bosch | ||||||||||||||||||||
ZÁRUKA A SERVIS V CZVYSOKÁ ÚROVEŇ KVALITY SLUŽEB, FLEXIBILITA A NÍZKÉ CENY |
|
![]() | Air Fry Chutná smažená jídla i v domácích podmínkách.Proč si nevyrobit vlastní bramborové lupínky? Anebo si namísto brambor chcete připravit chipsy z čerstvé zeleniny? Jednoduše položte tence nakrájené brambory nebo jinou zeleninu na grilovací plech Air Fry |
Třída energetické účinnosti A+ - šetřete energií při vaření.Vestavné trouby Bosch dosahují třídy energetické účinnosti A+ a spotřebují méně energie při vaření a pečení po celou dobu životnosti spotřebiče. Optimalizované proudění vzduchu, vylepšené materiály trouby a lepší izolační schopnosti zajišťují výrazné snížení spotřeby energie. | ![]() |
Na tento produkt je záruka 2 roky po celé ČR, zajišťujeme i pozáruční servis.
SPOTŘEBIČ BYL VYSTAVENÝ NA STUDIU
NIKDY NEBYL V PROVOZU
Serie 4, Vestavná pečicí trouba, 60 x 60 cm, černá
HBA372EB3
Typ trouby / druh ohřevu
Pečicí trouba s 7 druhy ohřevu: 3D horký vzduch, horní/spodní ohřev, gril s cirkulací vzduchu, velkoplošný gril, stupeň pro pizzu, horký vzduch jemný, Air Fry
rozsah teploty: 30 °C - 275 °C
vnitřní objem: 71 l
Výsuvný systém
počet pečicích úrovní: 5 ks
závěsné rošty, jednonásobný teleskopický výsuv, se stop funkcí, standardní výsuv
Design
ovládání TouchControl
smaltovaný vnitřní povrch pečicího prostoru
extra velký objem vnitřního prostoru
Čištění
pyrolytické samočištění
Cleaning Assistance - hydrolytické čištění
celoskleněná vnitřní strana dvířek
Komfort
LED dotykové ovládání
elektronické hodiny s časovou předvolbou
automatický návrh teploty
ukazatel předehřevu AutoPilot
AutoPilot 10
designové madlo z nerezové oceli
pomocný systém: AutoPilot
rychloohřev
halogenové osvětlení, osvětlení trouby se separátním vypínáním
chladící ventilátor
Příslušenství
rošt, smaltovaný hluboký plech, Air Fry pečicí plech
Bezpečnost a energetická náročnost
nízká teplota dvířek
nízká teplota dvířek trouby v průběhu pyrolytického čistění
dvířka CoolTouch (4 ks skel)
elektronický zámek dveří
dětská pojistka bezpečnostní vypínání tlačítko start
Technické informace
délka přívodního kabelu: 120 cm
napětí: 220 - 240 V
celkový příkon elektro: 3.6 kW
energetická třída (dle EU 65/2014): A+
spotřeba energie na cyklus při konvenčním ohřevu:0.9 kWh(na stupnici třidy energetické účinnosti od A+++ do D)
spotřeba energie na cyklus v režimu Recirkulace:0.69 kWh
počet pečicích prostorů: 1 zdroj tepla: elektřina objem pečicího prostoru:71 l
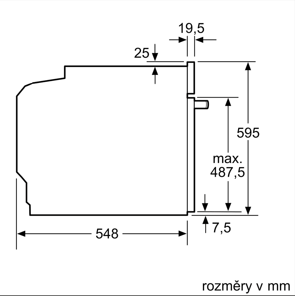
Rozměry
rozměry spotřebiče (V x Š x H): 595 mm x 594 mm x 548 mm
rozměry niky (V x Š x H): 585 mm - 595 mm x 560 mm - 568 mm x 550 mm
„potřebné rozměry naleznete v instalačních materiálech“











![]() | Air Fry Chutná smažená jídla i v domácích podmínkách.Proč si nevyrobit vlastní bramborové lupínky? Anebo si namísto brambor chcete připravit chipsy z čerstvé zeleniny? Jednoduše položte tence nakrájené brambory nebo jinou zeleninu na grilovací plech Air Fry |
Třída energetické účinnosti A+ - šetřete energií při vaření.Vestavné trouby Bosch dosahují třídy energetické účinnosti A+ a spotřebují méně energie při vaření a pečení po celou dobu životnosti spotřebiče. Optimalizované proudění vzduchu, vylepšené materiály trouby a lepší izolační schopnosti zajišťují výrazné snížení spotřeby energie. | ![]() |
| Výrobce | Bosch |
| Modelové označení | HBA372EB3 - Z VÝSTAVKY |
| Sortiment | vestavné trouby |
| Kde může být spotřebič nainstalován? | spodní skříňka, vysoká skříňka |
| Integrovaná řidicí jednotka varné desky | ne |
| Dodávané příslušenství | 1 x kombinovaný rošt, 1 x univerzální pánev, 1 x Pečicí plech Air Fry |
| Druhy ohřevu | Air Fry, velkoplošný gril, horký vzduch jemný, horký vzduch, standardní ohřev, pizza ohřev, horký vzduch s grilem |
| Parní technologie | N/A |
| Výsuvný systém | 1násobný teleskopický výsuv |
| Připojené spotřebiče s Home Connect | ne |
| Barva | černá |
| Závěs dveří | Vyklápěcí dvířka |
| Teploty ve °C | 30-275 |
| Crisp | ne |
| Pizza stupeň | ano |
| Air Fry | ano |
| Automatické otevírání dveří pomocí hlasového ovládání | ne |
| Druh sensoru | N/A |
| Podpůrné systémy | Automatické programy (10) |
| Uživatelské rozhraní | Bílý LED, dotykové ovládání |
| Počet druhů ohřevů a kombinací | 7 |
| Rychlý předehřev | ano |
| Integrovaný čistící systém | Pyrolytické+ hydrolytické |
| coolStart | ne |
| Energetická třída | A+ |
| Příkon | 3 600,0 W |
| Jištění | 16 A |
| Typ zástrčky | |
| Délka přívodního kabelu | 120,0 m |
| Přiložené uživatelské příručky | [BG, DE, PL] |
| Šířka | 594 mm |
| Výška | 595 mm |
| Hloubka | 548 mm |
| Šířka (zabaleného výrobku) | 660 mm |
| Výška (zabaleného výrobku) | 675 mm |
| Hloubka (zabaleného výrobku) | 690 mm |
| Hmotnost | 36,4 kg |
| Hloubka výklenku | 550 |
| Minimální výška výklenku | 585 mm |
| Maximální výška výklenku | 595 mm |
| Minimální šířka výklenku | 560 mm |
| Maximální šířka výklenku | 568 mm |
| Bezpečnostní zařízení | Dveřní zámek, Dětská pojistka |











Jsme tu právě pro Vás, naši školení pracovníci Vám zodpoví veškeré Vaše dotazy 7 dní v týdnu, neváhejte a ptejte se.





| 5 | 0 x | ||
| 4 | 0 x | ||
| 3 | 0 x | ||
| 2 | 0 x | ||
| 1 | 0 x |
Elektrocz.com / KITCHEN point - Jsme největší specializovaný prodejce kuchyňských vestavných spotřebičů a výrobce kuchyňské manufaktury v České republice! Jsme Vaši specialisté ve světě spotřebičů. Mluvíme s Vámi 7 dní v týdnu, třeba i v nočních hodinách.
Rozumíme nejen spotřebičům, ale výrobě celé kuchyně.
Poskytneme Vám to nejlepší poradenství při výběru spotřebičů Miele, Siemens, AEG, Bosch, Electrolux a dalších značek.